Работа с датчиком GPS (только у серии WSD-F20)
Данные часы рассчитаны на определение текущих местонахождения и времени в любой точке земного шара с помощью радиосигналов со спутников глобальной системы местоопределения. Процесс определения текущего местонахождения называется «местоопределение».
Места, подходящие и неподходящие для приема сигнала
Удачные места для приема сигнала находятся вне помещения, где видно небо и его не загораживают здания, деревья, иные объекты.
В нижеперечисленных местах возможны сложности с приемом сигнала GPS.
В нижеперечисленных местах прием сигнала GPS невозможен.
Спутники GPS находятся в постоянном движении, так что на процесс местоопределения влияют местонахождение, время суток, иные факторы. Это может вызвать задержку процесса вплоть до полной его невозможности.
Работа с GPS за пределами своей страны
Некоторые страны и территории накладывают законодательные ограничения на пользование GPS, на сбор и запись информации о местонахождении и т. д. Поскольку данные часы оснащены функциями работы с GPS, перед отправлением в страну или территорию из страны приобретения часов следует уточнить в посольствах планируемых к посещению государств, в туристическом агентстве, у иного надежного источника информации, существуют ли какие-либо запреты или ограничения на ввоз устройств с функциями работы с GPS, на запись информации о местонахождении и т. д.
Длительные периоды неиспользования
Если часы длительное время не заряжать и не пользоваться ими, то получение сигналов GPS и выполнение местоопределения сразу после их зарядки и возобновления пользования займет много времени.
Предупреждения относительно функции GPS
Каждый раз, оказываясь там, где прием радиосигналов запрещен или ограничен, следует выполнять нижеописанные действия для выключения параметра «Местоположение».
- 1.
-
При отображенном циферблате провести по сенсорному экрану сверху вниз и стукнуть по значку .
- 2.
-
Прокрутить изображение вниз, стукнуть по пункту «Подключение» и по пункту «Местоположение».
- 3.
-
На появившейся экранной странице отключить параметр «Местоположение».
Картографические данные могут содержать неверную информацию. Кроме того, в них могут быть отражены не все страны и территории.
В силу законов и ограничений, действующих в определенных странах и территориях, некоторые названия мест и адреса могут быть показаны неверно.
Информация о местонахождении, обеспечиваемая функцией GPS данных часов, предназначается только для справочных целей, и показанные места могут быть трудно- или недоступными. Кроме того, на картах бывают показаны горы, джунгли, пустыни, другие опасные или неспокойные места. Перед отправлением в неизвестное место обязательно проверьте свежую информацию об общественном порядке и безопасности.
При работе с данными часами рядом с мобильным телефоном или иным устройством, использующим радиоволны диапазона 1,5 ГГц, прием сигнала может быть невозможным.
В зависимости от условий приема информация из GPS для местоопределения может содержать ошибку до нескольких сотен метров.
Во время полета на самолете или ином движении с очень высокой скоростью информация о местонахождении не принимается.
Не применять функцию GPS данных часов для топографической съемки, любого иного измерения, требующего высокой точности.
Не применять функцию GPS данных часов для вождения водных и воздушных судов, автотранспортных средств, для направления людей и т. д.
Определение местонахождения выполняется по спутникам, которые эксплуатируются и управляются США (GPS), Россией (ГЛОНАСС) и Японией (QZSS), поэтому всегда есть риск блокирования доступа к информации с них по усмотрению этих стран.
На что стоит обратить внимание при выборе 4К телевизора?
Многие люди не понимают, почему с виду похожие модели имеют большой разброс в цене. На ценообразование телевизоров влияет не только разрешение экрана, учитывается большой перечень и других факторов.
На что стоит обращать внимание при выборе нового 4К телевизора?
Тип матрицы
Современные телевизоры могут быть оснащены LCD или OLED матрицей. Первый вариант всегда имеет более приемлемую стоимость, но качество изображения хуже не на много.
- LED/LCD экраны изготовляют на основе жидких кристаллов, которые для получения красивой картинки полностью или частично закрывает свет от светодиодов или ламп. Сегодня уже преимущественно используются светодиоды. Основные преимущества таких матриц: долговечность, приемлемая стоимость, экономичное энергопотребление. Недостатки: большое время отклика, из-за чего во время динамичных сцен может проявляться шлейфом.
- OLED-матрица базируется на элементах, отвечающих за свет и за цвет. Такие модели телевизоров очень тонкие, поскольку не требуется дополнительная установка сторонней подсветки. Диоды на матрице отключаются, поэтому черный цвет выглядит не темно-синим, а именно черным. В сравнении с предыдущими матрицами, OLED имеют более правильную цветопередачу, выше контрастность, отклик быстрее.
Как выбрать телевизор?
Диагональ экрана
Чтобы не ошибиться в выборе наиболее подходящего размера экрана, рекомендуется в магазине взглянуть на экран понравившейся модели с того расстояния, с которого планируется просмотр. Как показывает практика, для спальни достаточно телевизора с диагональю экрана 32-55 дюймов, не больше.
НDR
HDR передает на экран максимально реалистичную картинку. Технология позволяет расширить границы и характеристики в сравнении с иными телевизорами. Для воспроизведения используются модели ТВ нового поколения. Среди преимуществ HDR выделяются расширенный диапазон яркости и широкая цветовая палитра, что в совокупности передает зрителю невероятные впечатления!
Звук
Для того, чтобы получить истинное удовольствие от просмотра любимого фильма, звук должен быть предельно чистым без помех. При этом мощность колеблется в диапазоне 17-22 Вт. Но для поклонников идеально чистого стереозвука дополнительно потребуется купить аудиосистему.
Smart TV
Смарт ТВ или просто «умный телевизор» имеет операционную систему, которая позволяет пользователю смотреть ролики из YouTube и других социальных сетей (площадок). Если понравившаяся модель не имеет Смарт ТВ, можно дополнительно купить специальную приставку. Это обходится дешевле.
Яркость
Яркости должно быть достаточно, чтобы в солнечный день было комфортно смотреть телевизор
Но важно, чтобы без избытка, иначе будет утерян контраст. В бюджетных моделях этот показатель колеблется в пределах 200-400 кд/м2
Частота обновления экрана
Частота обновления дисплея показывает, сколько раз в секунду дисплей может выводить новое изображение. Эта частота измеряется в герцах (Гц).60 Гц вполне достаточно, поскольку больше человеческий глаз просто физически не способен уловить. Для 3D экран уже должен быть на 120 Гц.
Контрастность
Контрастность позволяет сделать изображение «сочнее» и красочнее. Оптимальный уровень контрастности от 2 000:1 до 5 000:1. Чем выше, тем лучше.
Ассортимент современных телевизоров чрезвычайно обширен, чем и могут быть связаны трудности в выборе наиболее подходящей модели. Перед покупкой рекомендуем ознакомиться с основными критериями выбора, ну и полагаться на свои предпочтения. Чтобы не быть обманутым, покупки рекомендуем совершать только в проверенных магазинах.
ТОП лучших телевизоров
Контроль качества
ЖК-экраны могут иметь дефектные транзисторы, результатом чего являются постоянно открытые или закрытые участки, на которых пиксели остаются либо ярко освещенными, либо черными. Если в случае интегральных схем это бы означало брак, то дисплеи с несколькими неработающими точками, как правило, используются. Это невозможно запретить по экономическим соображениям, поскольку ЖК-панели значительно больше микросхем. Для определения максимально допустимого числа дефектных пикселей производители используют разные стандарты. Например, в ноутбуках ThinkPad для панели разрешением 2048 х 1536 оно равно 16. Из них яркими могут быть 15 пикселей, а темными – 16.
Дефект ЖК-экрана более вероятен, чем для большинства микросхем. Например, 12” SVGA-дисплей может иметь 8 дефектов, а 6” пластина – только 3. Вместе с тем из 137 штампов приемлемыми будут 134 при практически нулевом браке ЖКД. Стандарты качества сегодня намного выше, чем раньше, благодаря жесткой конкуренции между производителями и улучшенному контролю. SVGA-экран с 4 дефектными пикселями теперь считается дефектным, и клиенты имеют возможность обменять его на новый.
Мультиплексорный экран
Мультиплексорный экран имеет устройство, которое называют мультиплексором. Это устройство обеспечивает передачу поступающей цифровой передачи в нужном направлении. Оно имеет несколько входов, через которые подается сигнал и один выход, к которому этот сигнал и направляется. Мультиплексор может разделять поток разнообразными способами:
- по частотным характеристикам – данные по потокам поступают одновременно и не смешиваются между собой, но они имеют разные частоты;
- потоки направляются в различное время – между отправками данных делаются небольшие паузы и устройство считывают данные за то время, пока другой поток к нему не поступил;
- кодирование – каждый поступающий поток кодируется и вместе с другими направляется в устройство.
Мультиплексор может делать запись изображения с любого источника видеосигнала, позволяет просматривать записи, которые были сделаны заранее, а также может вести видеопередачу в реальном времени. На таких экранах можно просматривать одновременно несколько каналов, позволяет сделать стоп-кадр и увеличить изображение нужного фрагмента, дает возможность последовательно переключать видеозапись между разными объектами, а также на таких экран есть встроенный календарь и часы.
Цветные мониторы
Для получения цветной картинки на LCD – экране хорошего качества нужно сделать так, чтобы свет исходил из задней панели экрана. Чтобы получить цветное изображение используется три цвета: красный, синий и зеленый. В ЖК мониторе установлен фильтр, который не пропускает все остальные спектры светового потока. Комбинация этих цветов в каждом пикселе монитора позволяет выводить на экран нужное нам цветное изображение. Для повышения его качества применяют современные технологии, такие как: IPS и TFT. IPS является разработкой, способной дать отличное качество изображению.
Справка! При управлении пикселя на мониторе в этом случае он дает большой угол обзора, но время, нужное для отклика, здесь немного дольше чем в TFT. TFT — это сокращение от Thin Film Transistor, что в переводе означает тонкопленочный транзистор. Он может управлять каждым пикселем монитора.
Пассивная матрица
Пассивные матрицы имеют большую емкость электрического напряжения. Поэтому мгновенно обрабатывать и отображать нужную картинку, а также ее обновлять она может чуть медленнее. Этот вид матрицы, если кратко, получается, когда происходит совмещение слоев вертикальных и горизонтальных полос. Электричество ток сначала поступает на вертикальную полосу, а затем на горизонтальную, далее происходит указание нужных координат. Когда полоски пересекаются между собой, кристаллы меняют свои структурные свойства. И на мониторе, в месте, которое соответствует этим координатам, образуется точка. В зависимости от действующей силы тока полоски проводят поток света в той или иной степени, а в цветных дисплеях происходит поляризация светового спектра. Принцип такой матрицы используется в технологии STN. Это сокращение от Super Twisted Nematic.
Основной ее принцип заключен в том, что данные для картинки формируется последовательно, а именно строка за строкой, за счет подвода напряжения к отдельным ячейкам экрана, при этом оно их делает непрозрачными.
Проверка переключателя или кнопки
Далее необходимо убедиться в исправности кнопки фена. Часто на переключателе образуются окислы и нагар, которые не позволяют замкнуть контакты для протекания электрического тока. Чтобы убедиться в том, что кнопка фена исправна, нужно также воспользоваться мультиметром. Для этого следует в режиме прозвонки прибора коснуться щупами выводов кнопки. В отключенном положении прибор не должен «пищать», а при включении первого или второго режима, мультиметр издает звуковой сигнал.

Этот сигнал является знаком того, что причина, почему не включается строительный фен, заключается в неисправности других узлов инструмента. Если же манипуляции по проверке кнопки приводят к выводу, что она неисправна, то следует разобрать ее и почистить контакты. На некоторых моделях фенов переключатели представлены неразборного типа, поэтому их нужно просто заменить.
Это интересно! Часто у многих возникают подозрения на неисправность сглаживающего сетевые помехи конденсатора. Этот конденсатор желтого цвета подключен к кнопке, и осуществляет фильтрацию сетевых помех, предотвращая при этом выход из строя элементов электроники фена, а также двигателя и спирали. Если конденсатор неисправен, то на работу фена этот никак не повлияет, однако его поломка может в последующем стать причиной выхода из строя выпрямительных диодов, микроконтроллера, тиристора, резисторов и прочих элементов микросхемы. Поломку конденсатора легко определить визуально, если он надулся, значит неисправен.
Проблемы в высоковольтной части блока питания (инверторе)
Если есть возможность, то в первую очередь, всегда отыскивайте схемы ремонтируемого устройства. Давайте рассмотрим высоковольтную часть одного из мониторов

Если вы видите, что предохранитель блока питания монитора сгорел, это означает, что сопротивление между проводами питания шнура монитора (входное сопротивление), на какой-то момент стало очень низким (короткое замыкание). Где-то около 50 Ом и меньше, что в свою очередь, по закону Ома, вызвало повышения тока в цепи. От большой силы тока у нас и сгорел проводок предохранителя.
Если предохранитель в металлическо-стеклянном корпусе, мы можем вставить абсолютно любой предохранитель в крепление и прозвонить мультиметром в режиме Омметра 200 Ом сопротивление между штырьками вилки. Если у нас сопротивление равно нулю и до 50 Ом, то ищем пробитый радиоэлемент, который звонится на ноль или на землю.
Шаги будут такие:
Вставляем предохранитель, переключаем мультиметр на 200 Ом и подключаем его к вилке шнура питания. Убеждаемся, что сопротивление очень маленькое. Далее не торопимся вынимать предохранитель.
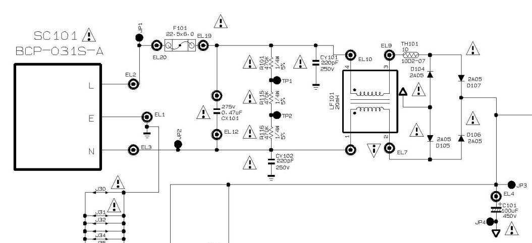
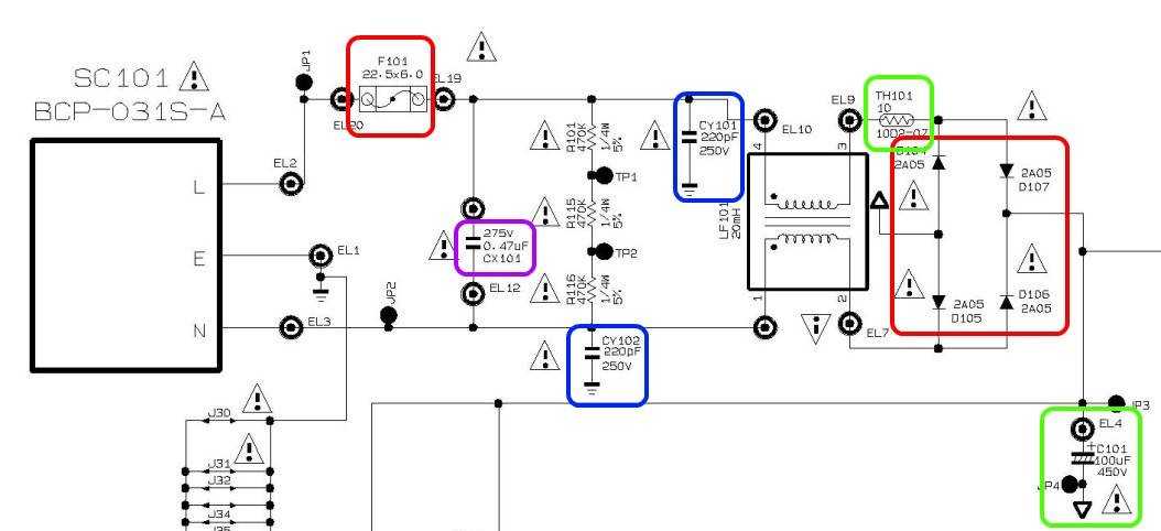
Итак давайте по схеме посмотрим, какие радиодетали у нас могут коротнуть. На фото выделены цветными рамками те детали, которые необходимо будет проверить при коротком замыкании в высоковольтной части


Все эти процедуры для измерения сопротивления, делаются для того, чтобы вызвонить перечисленные детали по одной. То есть выпаиваем и снова замеряем через вилку сопротивление. Как только мы получим на входе вилки высокое сопротивление, заменив или убрав дефектный радиоэлемент, то можно смело включать вилку в розетку и копать уже дальше.
Зарядка
Не заряжать часы в очень влажных и сильно запыленных местах, местах с наличием мелких частиц металла, местах, подверженных вибрации, у стационарного телефонного аппарата, телевизора, радиоприемника и т. п.
Зарядочный шнур данных часов имеет магнитные свойства. Его контакт с песком, содержащим частицы железа, способен сделать его непригодным для зарядки. В случае загрязнения гнезда для зарядного устройства или зарядочного шнура песком или жидкой грязью перед зарядкой полностью их удалить.
В крайне холодном или жарком месте часы могут не заряжаться или заряжаться не полностью. Зарядить часы в месте с температурой воздуха 10—35 °C (50—95 °F).
Прозвонка.
Суть метода: Суть метода в том, что при помощи омметра, в том или ином варианте, проверяется наличие необходимых связей и отсутствие лишних соединений (замыканий).
Возможности метода:
- Предупреждение неисправностей при производстве, контроль качества монтажа;
- Проверка гипотезы о наличии неисправности в конкретной цепи;
Достоинства метода:
- простота;
- не требуется высокая квалификация исполнителя;
- высокая надежность;
- точная локализация неисправности;
Недостатки метода:
- высокая трудоемкость;
- ограничения при проверке плат со смонтированными элементами и подключенных жгутов, элементов в составе схемы.
- необходимость получить прямой доступ к контактам и элементам.
Применение метода:
- На практике, как правило, достаточно проверить наличие необходимых связей. Отсутствие замыканий проверяется только по цепям питания.
- Отсутствие лишних связей также обеспечивается технологическими методами: маркировка и нумерация проводов в жгуте.
- Проверку на наличие лишних связей проводят в случае, когда есть подозрение на конкретные проводники, или подозрение на конструкторскую ошибку.
- Проводить проверку на наличие лишних связей чрезвычайно трудоемко. В связи с этим ее проводят, как один из заключительных этапов, когда возможная область замыкания (например, нет сигнала в контрольной точке) локализована другими методами.
- Очень точно локализовать замыкание можно при помощи миллиомметра, с точностью до нескольких сантиметров.
- Хотя данная методика имеет определенные недостатки, она очень широко применяется в условиях мелкосерийного производства, в связи со своей простотой и эффективностью.
- Прозванивать лучше по таблице прозвонки, составленной на основании схемы электрической принципиальной. В этом случае исправляются возможные ошибки конструкторской документации и обеспечивается отсутствие ошибок в самой прозвонке.
Устройство и работа TFT LCD матрицы.
Одними из главных достижений стало изобретение технологии LCD TFT-матрицы – жидкокристаллической матрицы с тонкопленочными транзисторами (Thin Film Transistors). У TFT-мониторов кардинально возросло быстродействие пикселей, выросла цветовая глубина изображения и удалось избавиться от «хвостов» и «теней».Структура панели, изготовленной по TFT технологии, приведена на Рис.2
| Структура ЖК-панели |
Рис.2. Схема структуры TFT LCD матрицы.Полноцветное изображение на ЖК-матрице формируется из отдельных точек (пикселей), каждая из которых состоит обычно из трех элементов (субпикселей), отвечающих за яркость каждой из основных составляющих цвета — обычно красной (R), зеленой (G) и синей (B) — RGB. Видеосистема монитора непрерывно сканирует все субпиксели матрицы, записывая в запоминающие конденсаторы уровень заряда, пропорциональный яркости каждого субпикселя. Тонкопленочные транзисторы (Thin FilmTrasistor (TFT) — собственно, поэтому так и называется TFT-матрица) подключают запоминающие конденсаторы к шине с данными на момент записи информации в данный субпиксель и переключают запоминающий конденсатор в режим сохранения заряда на все остальное время.Напряжение, сохраненное в запоминающем конденсаторе TFT- матрицы, действует на жидкие кристаллы данного субпикселя, поворачивая плоскость поляризации проходящего через них света от тыловой подсветки, на угол, пропорциональный этому напряжению. Пройдя через ячейку с жидкими кристаллами, свет попадает на матричный светофильтр, на котором для каждого субпикселя сформирован свой светофильтр одного из основных цветов (RGB). Рисунок взаиморасположения точек разных цветов для каждого типа ЖК-панели разный, но это отдельная тема. Далее, сформированный световой поток основных цветов поступает на внешний поляризационный фильтр, коэффициент пропускания света которого зависит от угла поляризации падающей на него световой волны. Поляризационный светофильтр прозрачен для тех световых волн, плоскость поляризации которых параллельна его собственной плоскости поляризации. С возрастанием этого угла, поляризационный фильтр начинает пропускать все меньше света, вплоть до максимального ослабления при угле 90 градусов. В идеале, поляризационный фильтр не должен пропускать свет, поляризованный ортогонально его собственной плоскости поляризации, но в реальной жизни, все-таки небольшая часть света проходит. Поэтому всем ЖК-дисплеям свойственна недостаточная глубина черного цвета, которая особенно ярко проявляется при высоких уровнях яркости тыловой подсветки.В результате, в LCD-дисплее световой поток от одних субпикселей проходит через поляризационный светофильтр без потерь, от других субпикселей — ослабляется на определенную величину, а от какой-то части субпикселей практически полностью поглощается. Таким образом, регулируя уровень каждого основного цвета в отдельных субпикселях, можно получить из них пиксель любого цветового оттенка. А из множества цветных пикселей составить полноэкранное цветное изображение.ЖК-монитор позволил совершить серьезный прорыв в компьютерной технике, сделав ее доступной большому количеству людей. Более того, без LCD-экрана невозможно было бы создать портативные компьютеры типа ноутбуков и нетбуков, планшеты и сотовые телефоны. Но так ли все безоблачно с применением жидкокристаллических дисплеев?
Если перегорела плата строительного фена как отремонтировать
Не редко встречаются поломки, связанные с электроникой. На бюджетных вариантах строительных фенов используется только одна плата — выпрямительный диодный мост. Проверить исправность диодов можно при помощи мультиметра, и если перегорел один диод, то двигатель не запустится. Определив неисправный диод, его следует заменить, воспользовавшись паяльником.
Если на строительном фене применяется инверторная плата, то на ней может выйти из строя любой элемент электроники. Для того, чтобы понять, какой элемент вышел из строя на плате, нужно произвести визуальный осмотр. Обычно сгоревшие элементы проявляются внешне по признакам почернений. Чтобы отремонтировать плату строительного фена, понадобятся минимальные знания электроники, а также уметь пользоваться паяльником. Мультиметром можно проверить исправность всех элементов на плате, и заменить вышедшие из строя.
Это интересно! Если повреждена керамическая часть, то в этом случае рекомендуется купить новый ТЭН, который может стоить практически столько же, как и сам инструмент. Именно поэтому в случае невозможности произвести самостоятельный ремонт, следует взвесить стоимость запчастей и нового фена, на основании чего принять правильное решение.
Неисправные конденсаторы
Несколько вздутых электролитических конденсаторов. Типичная и популярная неисправность импульсных блоков питания.
Из-за этого блок питания не запускается.
После замены на такие же новые детали — и блок питания снова работает, а вместе с ним и сам монитор.
Разбираем монитор, и первая мысль – это могут быть неисправные электролиты. И в самом деле, это тоже довольно типичная неисправность, которая связана с высыханием конденсаторов. Их емкости недостаточно для нормальной работы блока питания.
Блок питания 715g2905-1. Визуально у него как будто нет никаких неисправностей. Блок питания может уходить в защиту из-за неисправных ламп, поэтому давайте для начала исключим их неисправность.
Отключите лампы от блока питания, и попробуйте включить монитор. Естественно нужно соблюдать правила безопасности. И не забывайте, что вы все делаете на свой страх и риск.
Кстати, не забудьте записать места подключения ламп. А еще обычно подключение проводов от ламп к плате показаны на самой плате.
Если индикатор монитора по-прежнему мигает и вы слышите писк или подобные шумы, то это скорее всего и есть неисправное электролиты.
Но как же понять, какой именно конденсатор неисправен, если визуально нет вздутий или подтёков? Тут придется подряд их измерять, либо выпаивать каждый и измерять его ESR.
В данном случае понадобилось поменять конденсаторы C922 470мкФ 15В и C923 1000мкФ 16В.
Визуально они целые, без вздутий и повреждений.
Перед пайкой еще раз разрядите все конденсаторы. Менять неисправные можно только на новые, чтобы неисправность снова долго не проявлялась. Желательно на те же самые по параметрам. Главное — это не меньше по рабочему напряжению и емкости.
Проверяем работу.
Причины подобных неисправностей
Что может быть изначальной причиной выхода из строя электролитических конденсаторов?
- Внешние условия. Перегрев корпуса, разница температур;
- Высокая частота пульсаций. Далеко не все блоки питания идеально сконструированы. Они могут работать намного хуже при низком или повышенном напряжении в сети 220 В;
- Выработка срока эксплуатации. Любые детали имеют свой срок эксплуатации. Химические источники электрического тока не рассчитаны на долгий срок эксплуатации, особенно если это касается бытовой техники.
Режим Suspend
Монитор переходит в этот режим, если на его входе активен сигнал HS и неактивен (отсутствует) сигнал VS. Сигналы R, G, B на выходе видеоадаптера заблокированы, видеоусилители не работают, и уровень контрастности выведен до минимально возможного. Кроме этого, блокируется выходной каскад строчной развертки, т.е. пропадают высокие напряжения, пилообразный ток в строчных катушках не протекает (можно сказать, что отключаются строчные катушки), а также выключается и блок кадровой развертки. В большинстве мониторов напряжение накала присутствует, и нить накала светится. Некоторые производители в этом режиме напряжение нити накала уменьшают, например, до уровня 1.5 – 2.5 В. На выходе блока питания могут быть заблокированы некоторые питающие напряжения, обычно это +12 или +15В, которые используются для питания синхропроцессора и видеоусилителей. В режиме Suspend экономится порядка 85% от полной мощности монитора. Возврат из режима Suspend в режим On осуществляется за время порядка 5–7 сек. при активизации на входе монитора обоих сигналов HS и VS. Сигналы HS и VS активизируются видеоадаптером по командам от управляющей программы при нажатии пользователем клавиши на клавиатуре или при сдвиге мышки.





























